来源:12360海关热线
✦ +
+
政策解读 | 进出口燃料油产品技术规范
2022年3月14日,海关总署发布第25号公告,此公告共发布了86项行业标准。
技术规范全文可登录“中国技术性贸易措施网—标准—行业标准”查询。网站地址:http://www.tbtsps.cn/。
公告中的《进出口燃料油产品技术规范》(SN/T 2045-2022)于2022年10月1日正式实施,下面小编就该技术规范进行详细解读。


技术规范主要包括哪些内容?
包括进出口燃料油产品的范围、规范性引用文件、术语和定义、采样、一般要求、具体要求、测试方法等。
石油燃料的定义是什么?
作为燃料以产生热和动力的各种石油产品的统称。
注:通常分为气体燃料(gases fuels)、液化气燃料(liquefied petroleum gases)、馏分燃料(distillate fuels)、残渣燃料(residual fuels)和石油焦(petroleum coke)5个类型。其中,气体燃料和液化气燃料是常态下呈气态的石油燃料,馏分燃料和残渣燃料是常态下呈液态的石油燃料,石油焦为固体石油燃料。
燃料油、馏分燃料、残渣燃料
的定义分别是什么?
1
燃料油
常态下呈液态的石油燃料,包括馏分燃料和残渣燃料两种类型。
2
馏分燃料
基本上源自原油炼制或天然气分离得到的石油液体燃料。
注:可分为轻馏分(light distillate)如汽油,中馏分(middle distillate)如煤油、柴油,重馏分(heavy distillate)如减压瓦斯油(VGO)、闪蒸馏分、溶剂提取得到的某些船用燃料和材料等。
3
残渣燃料
含有来自石油炼制的残渣液体燃料。
燃料油如何采样?
采样按照 GB/T 4756 操作。其中,汽油、煤油、柴油等馏分燃料油取样量不少于4L。
技术规范的要求有哪些?
该技术规范分为一般要求和具体要求两种。
一般要求
1
本文件规定的各种用途各种牌号燃料油应是从石油炼制得到的烃类混合物,不得含有可能干扰燃烧设备正常操作的成分或者外来物质。其中,允许加入少量改进性能或者改善排放的添加剂,允许加入少量用于商品牌号识别的着色染料。其燃烧设备是指本文件分类体系表指定用途的燃烧设备。如将指定用途燃料用于其他目的,建议向有关设备制造商咨询。
2
各种燃料油都应是同质均相的。即使是馏分燃料油和残渣燃料油的调和产品,在正常储运条件下不得被重力作用分离出超过该牌号黏度限值的轻组分或重组分。
3
所有燃料不得含有下列添加物质或化学废料:
01.危及燃烧设备安全或对操作有不利影响的;
02.危害人体健康安全的;
03.对空气环境造成更多污染的。
具体要求
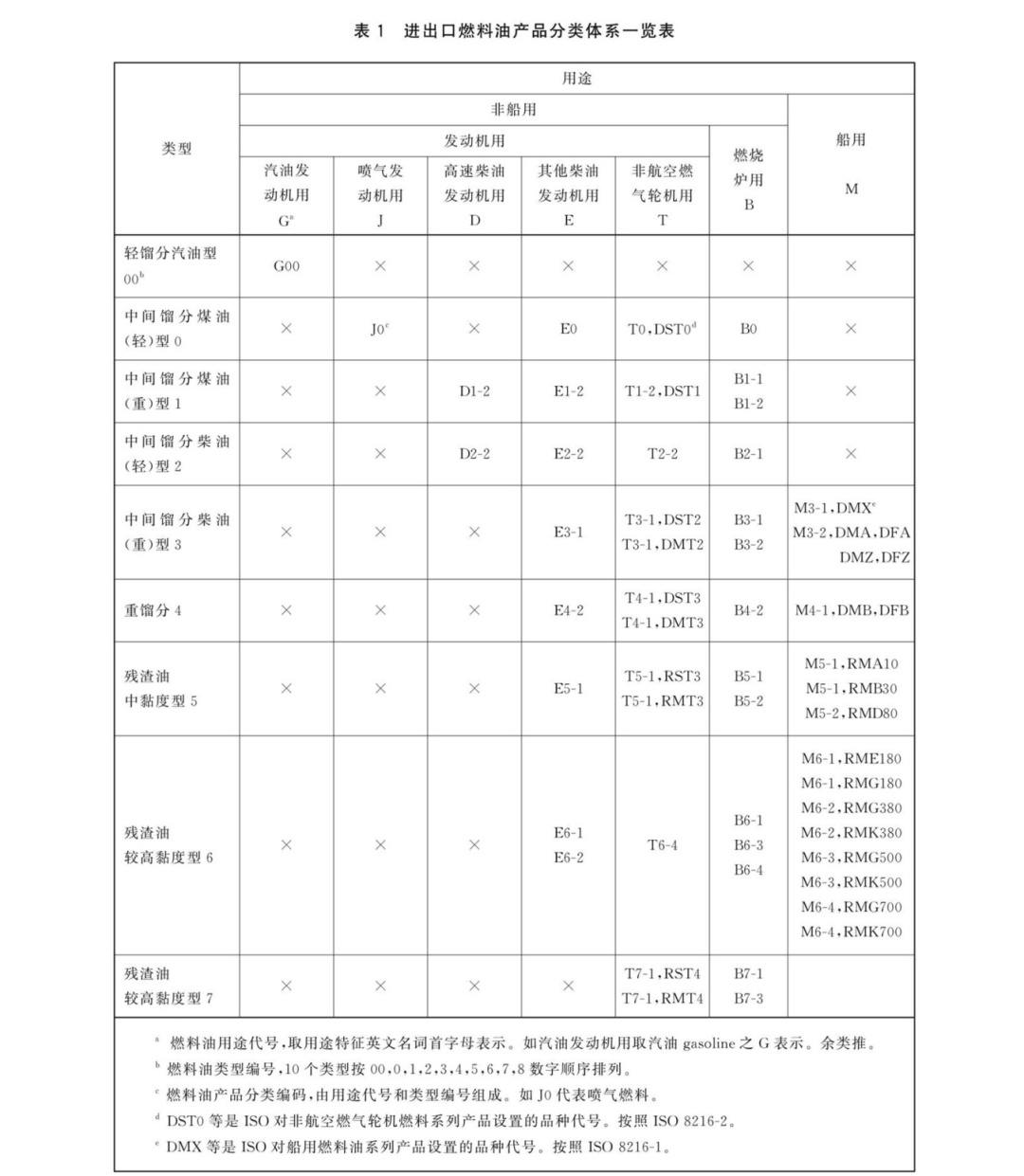
本文件进出口燃料油产品分类体系见表1。

按表1中7种产品用途分别制定相应类型或类型系列的产品技术规范。具体要求如下:
1.进出口燃料油汽油发动机用车用汽油技术规范见表2;

2.进出口燃料油喷气发动机用燃料技术规范见表3;

3.进出口燃料油高速柴油发动机用车用柴油技术规范见表4;

4.进出口燃料油其他柴油发动机用燃料技术规范见表5;


5.进出口燃料油非航空燃气轮机用燃料技术规范见表6;


6.进出口燃料油船用燃料技术规范见表7;


7.进出口燃料油燃烧炉用燃料技术规范见表8;


8.有关燃料油类型、用途、牌号等详细信息参见附录A和附录B。









技术规范中进出口燃料油
各项质量指标的测定方法
有哪些?
进出口燃料油各项质量指标测定方法见表9。


本技术规范与SN/T 2045-2008《进出口燃料油产品技术规范》相比,主要技术变化有哪些?
本技术规范代替 SN/T 2045-2008《进出口燃料油产品技术规范》,与 SN/T 2045-2008 相比,主要技术变化如下:
1.增加了引用的规格标准;
2.表1中删除了由于规格标准更新或废止而不再使用的燃油牌号及其对应的分类编号,新增了 DFA、DFB、DFZ燃油牌号;
3.表2中修订了硫含量、铅含量、磷含量、锰含量、烯烃含量、苯含量和蒸汽压的质量指标;
4.表3中修订了冰点质量指标;
5.表4中修订了密度、硫含量质量指标,新增了润滑性质量指标;
6.表5中修订了运动黏度、闪点、十六烷指数、硫含量、水分质量指标,新增了润滑性质量指标;
7.表6中修订了密度、闪点、硫含量质量指标,新增了净热值质量指标;
8.表7中修订了密度、运动黏度、闪点、倾点、硫含量残炭、水分、沉淀物、钒、铝+硅、十六烷指数质量指标,删除了十六烷值质量指标,新增了硫化氢、碳芳香指数质量指标,删除了不再使用的燃油牌号,新增了 DFA、DFB、DFZ燃油牌号;
9.表8中修订了密度、运动黏度、馏程、闪点、硫含量灰分、水+沉淀物质量指标,删除了不再使用的燃油类型B8-1、B8-2、B8-3;
10.表A.2中删除了不再使用的燃油类型:残渣油特高黏度型;
11.B.4“应用实例”中不再使用的燃油牌号修订为最新的有效燃油牌号。

以上内容仅供参考,转载请注明来源“12360海关热线”
部分图片源自网络
供稿单位:沈阳海关、呼和浩特海关
审核单位:商品检验司