Hey小伙伴们,
在这个由电流与电阻交织的奇幻大陆上,
隐藏着无数令人着迷的秘密!
今天,我们要携手一位
超级智慧的伙伴——欧姆君,
一起解锁串联电路中的“动态”之谜
想象一下,
我们正站在一条由无数闪烁小灯泡
串成的梦幻银河前,
它们就像是夜空中最亮的星,
手牵手共同编织出璀璨的梦境✨
但你知道吗?
在这梦幻背后,
正是欧姆君用他那神奇的定律,
指挥着电流与电压的舞蹈,
让每一个灯泡都能绽放出属于自己的光芒!

串联电路“动态”定性分析
知识点回顾
欧姆定律
欧姆定律描述电路中电流与电压的关系、电路中电流与导体电阻的关系,即:在同一电路中,通过某段导体的电流跟这段导体两端的电压成正比,跟这段导体的电阻成反比。
串联电路特点
电流特点:串联电路中,电流处处相等。
电压特点:串联电路中,各导体两端电压之和等于电源电压。
电阻特点:串联电路中,总电阻等于各串联电阻之和。
1
利用滑动变阻器改变电流
串联电路中,往往由于某一导体的电阻发生改变,而导致各导体两端的电压,与通过各导体的电流随之改变,可谓“牵一发而动全身”,解决此类问题,需理清思路、掌握解题步骤并提炼思维方式。一般而言,可以按以下步骤展开分析与推理:
1.判断电路连接方式——串联、并联。
2.确定电表的作用——旁边标上相应的物理量。
3.明确引起动态变化的原因——滑动变阻器阻值发生变化。
4.根据欧姆定律、串联电路的特点,进行分析判断。
进行电路的动态分析时应注意以下几点:
(1)电源电压和定值电阻不变。
(2)用到的公式:欧姆定律,串联电路的特点。
(3)一般从分析电路中的电阻变化入手,运用欧姆定律和串联电路的特点,判断出电路中总电流的变化,进而逐一分析通过各个电阻的电流和电压的变化情况。
2
利用开关的“断与闭”改变电流
除了因移动滑动变阻器滑片导致串联电路中电流的变化外,利用开关的不同状态,来改变串联电路中电流变化也是常见的一种题型。开关的“断与闭”实则对应了两个不同的电路,往往因开关的“闭合”导致短路某一电阻,从而改变了电路结构,故此类题型建议大家可画出开关“闭合”与“断开”两个状态下对应的电路图,对于判断有较为直观的作用。
由于篇幅所限,只能讨论串联电路中“动态”定性判断的部分题型,希望同学们能举一反三,熟练掌握分析思路,为之后学习串联电路的“动态定量计算”以及“用电流表、电压表测电阻”打下坚实的基础。
例题分析
(1)某导体两端电压为3伏,通过该导体的电流为0.2安,导体的电阻为欧;若该导体两端的电压为6伏,则通过该导体的电流为安,电阻为 欧。
(2)某导体两端的电压为6伏时,10秒内通过该导体横截面的电荷量为3库,通过该导体的电流为安,这段时间内电流做功为焦。若该导体两端的电压变为9伏,则其电阻为欧。
在图所示的电路中,电源电压为18伏保持不变,电阻R的阻值为10欧,滑动变阻器上标有“50Ω 1A”字样。闭合开关S后,电流表A的示数为0.5安。求:
(1)电阻R两端的电压U;
(2)此时滑动变阻器R的阻值;
(3)现用电压为U的电源替换原来的电源,要求变阻器的滑片P移到任意位置均能保证电路安全,求功的最大值(写出完整的判断、计算过程)。

在如图(a)所示电路中,电源电压为12伏且保持不变。电阻R的阻值为10欧,滑动变阻器R,上标有“20欧2安”字样。闭合开关后,电路中的电流为0.6安。
(1)求电阻R两端的电压U。
(2)求滑动变阻器R,接入电路的阻值。

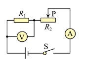
在图所示的电路中,电源电压为6伏且保持不变,电阻R2的阻值为10欧。闭合开关S,电流表A的示数为0.9安。求:
(1)通过电阻R2的电流 I2;
2)电阻R1的阻值。

如果有搞不懂的题目,或是需要的学科专题,欢迎在评论区留言哦~
作者:上海市大同初级中学 贺戴裔
责编:张玮
本周隔空喊话bot
2024已经走向尾声,
年初设定的计划与目标,
你都完成了吗?
新的一年里,
又有什么期待与愿望呢?
离中考愈来愈近,
你的心情又是如何呢?
Let's talk!
小编先答:
岁序更迭,无论目标是否达成,这普通又不普通的一年终将过去。更重要的是,新的一年将要开启,新的内容将被书写,新的好事将要发生!
⭐️ 欢迎大家点击2024再见!希望“希望”真的到来或扫码提问箱或在评论区留言~


LET US SAY SOMETHING
-上海中考发布-
《上海中学生报·中招周刊》与上海市教育考试院合作
中考信息发布及学科复习方法指导
精准试卷解析权威中招政策及时模考信息历年数据查询
主流国际教育品质国际学校在线课程辅导学校特色介绍
CONTACTUS
Email:shzkfb@163.com
TEL:+86-021-33255783
如果您有任何问题,或合作意向请留言或给我们打电话吧: