
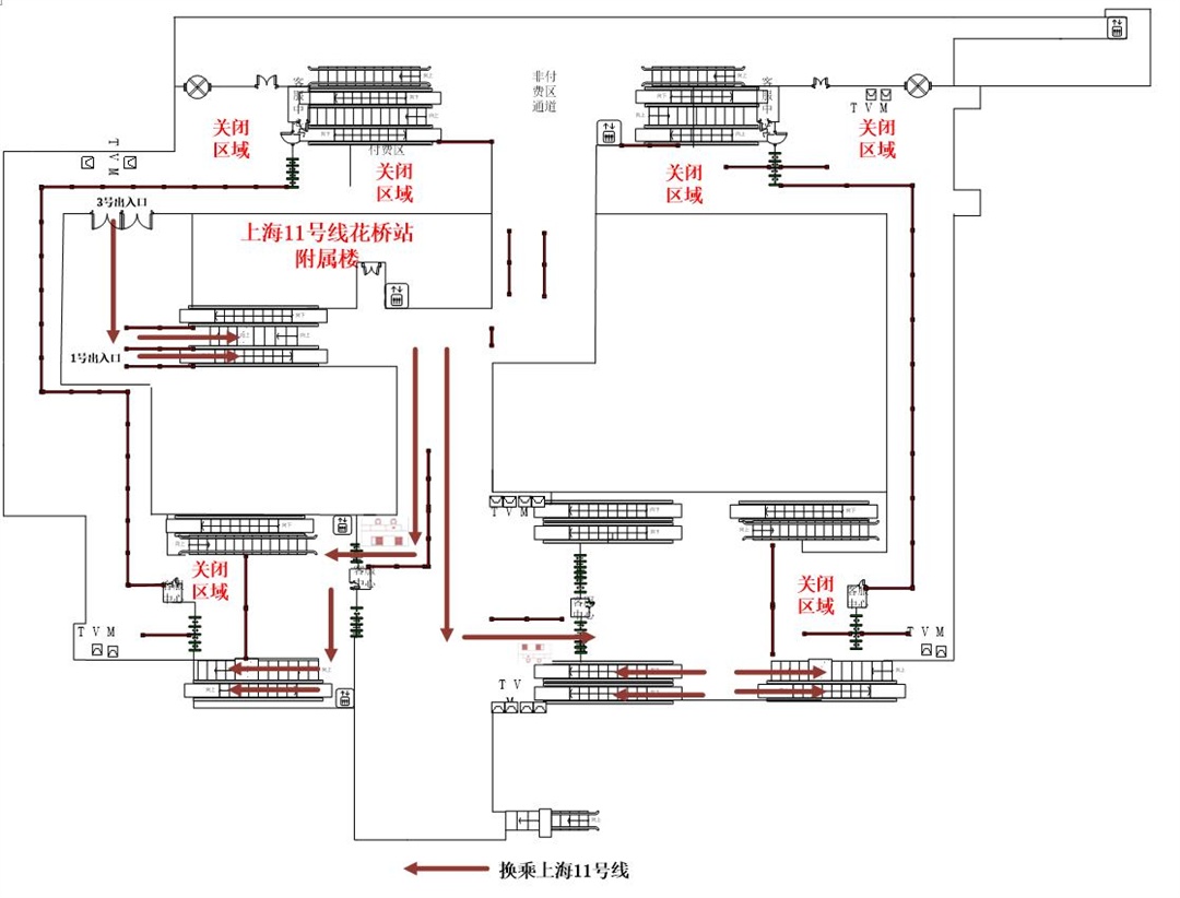
据苏州轨道交通消息,为做好春节期间的客流组织,苏州轨道交通决定于2024年2月10日(正月初一)至2024年2月17日(正月初八)关闭11号线花桥站东西两端换乘连廊(含“Metro大都会、苏e行专用通道”)。现场将根据客流情况,采取限流、分流措施。请乘客根据指引有序从中间非付费区换乘连廊、站外广场进行换乘,给您带来不便敬请谅解!具体换乘通行变更调整如下:
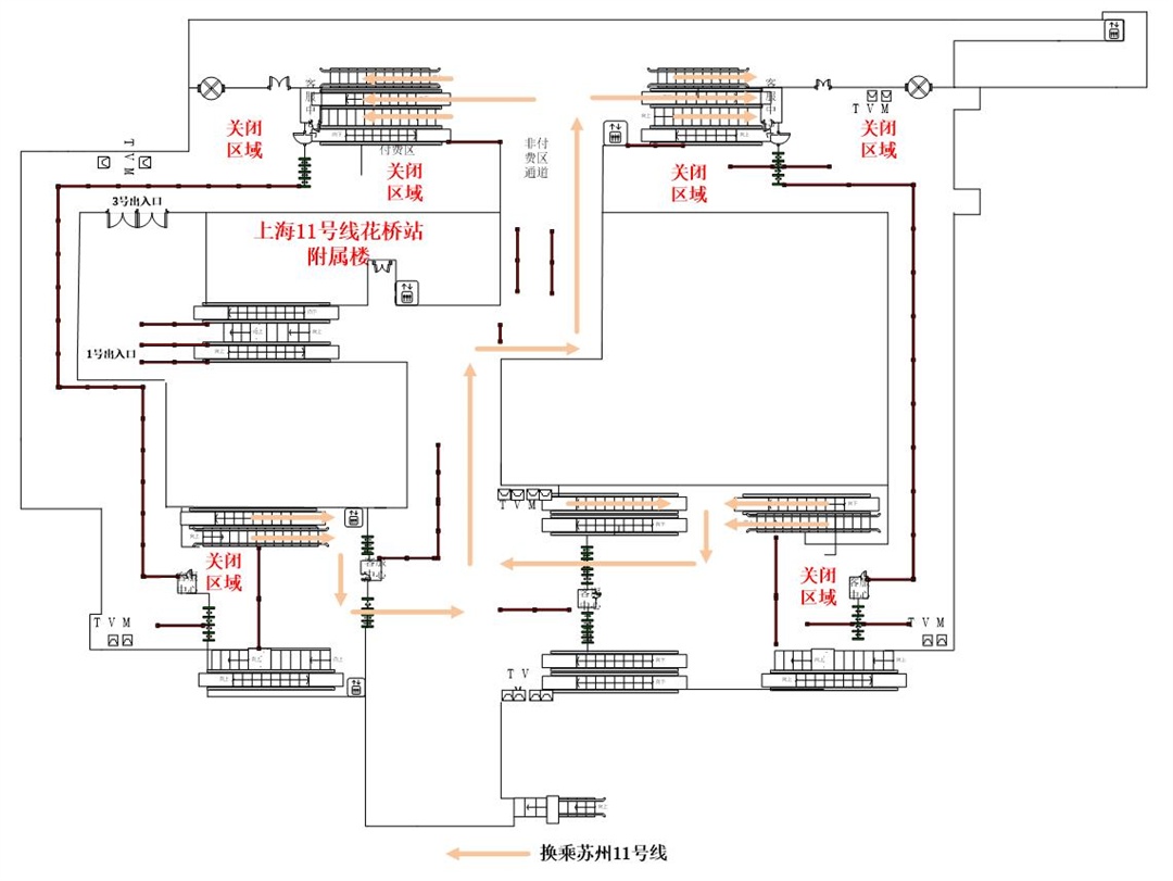
上海→苏州
上海11号线换乘苏州11号线的乘客
现可采用如下方式
方式一:通过出站闸机后,利用中部换乘连廊换乘。


方式二:通过出站闸机后,从1号口出站后,至苏州花桥站3号口、4号口进站换乘。


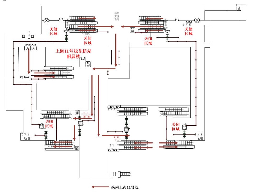
苏州→上海
苏州11号线换乘上海11号线的乘客
现可采用如下两种方式
方式一:通过出站闸机后,利用中部换乘连廊换乘。


方式二:通过出站闸机后,从3号口、4号口出站,至上海花桥站1号口进站换乘。


在此期间,使用“苏e行”APP或“Metro大都会”APP“无感换乘”服务的乘客在苏州/上海花桥站也须通过检票闸机扫码进/出站,其他乘客仍按原方式进出通行。如遇问题,请与工作人员联系,感谢您的配合!
编辑:周梦真
资料:上观新闻
*转载请注明来自上海杨浦官方微信
